Mag-email sa Amin
Mga produkto
TAC Pneumatic Toggle Valve
  • TAC Pneumatic Toggle ValveTAC Pneumatic Toggle Valve

TAC Pneumatic Toggle Valve

Bilang propesyonal na paggawa, nais ng OLK na magbigay sa iyo ng TAC pneumatic toggle valve. At mag-aalok sa iyo ang OLK ng pinakamahusay na serbisyo pagkatapos ng pagbebenta at napapanahong paghahatid.

Ang TAC pneumatic toggle valve (na kilala rin bilang isang switch valve) ay isang sangkap na paglilipat ng katumpakan na espesyal na idinisenyo para sa mga sistema ng pneumatic at kontrol ng likido. Sa natatanging istraktura ng control na uri ng toggle, nakamit nito ang mabilis na paglipat at tumpak na kontrol ng mga landas ng likido.

Ang TAC Series Toggle Valve ay may 2 Posisyon 2 na paraan, 2 Posisyon 3 Way at 2 Posisyon 5 na paraan ay maaaring mapili.a iba't ibang uri ng pingga at dalawang uri ng thread: M5, G1/8.

Mga senaryo ng aplikasyon

Kagamitan sa Pang -industriya na Pang -industriya, Pagproseso ng Mekanikal, Pagproseso ng Mga Materyales ng Paggawa, Enerhiya at Pagmimina, Industriya ng Pagkain at Inumin, Kagamitan sa Medikal, atbp.

Mga Tampok ng Produkto

Ito ay maliit sa laki, nangangailangan ng kaunting puwang sa pag -install, at madaling maunawaan upang mapatakbo nang manu -mano, na ginagawang angkop para sa mga senaryo na nangangailangan ng madalas na paglipat.

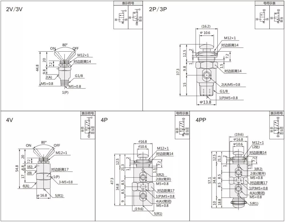
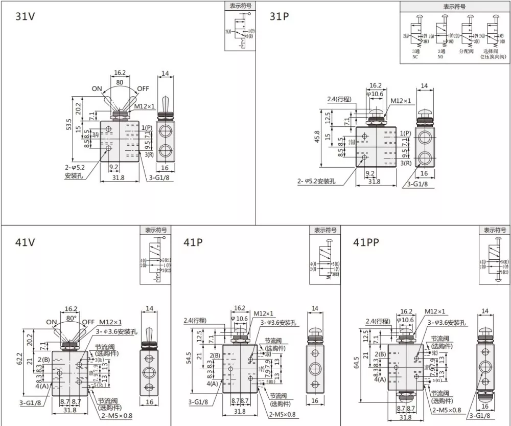
TAC Toggle Valve Symbol at Outline

ODERING CODE

Tac

2

__

2

P

 

 

 

 

 

TAC Series Toggle Valve

 

 

2: 2Position 2 Way (M5)

P: Uri ng pindutan ng push-pull

 

 

 

3: 2 Posisyon 3 Way (M5)

V: Uri ng pingga ng kamay

 

 

 

4: 2 Powition 5 Way (M5)

PP: Double Push-Pull Button

 

 

 

31: 2 Posisyon 3 Way (G1/8)

 

 

 

 

41: 2 Powition 5 Way (G1/8)

 

 

Modelo

Laki ng port

 

Bilang
ng posisyon

Epektibo  
cross-sectional area

Saklaw ng presyon

Paggawa ng likido

Ambient
Temperatura

 

TAC-2V

Inlet = outlet = m5   

2 Posisyon 2 na paraan

1.9mm²

0.05 ~ 0.9ppa

Hangin

0 ~ 60

TAC-2P

Inlet = outlet = m5   

2 Posisyon 2 na paraan

1.9mm²

TAC-3V

Inlet = outlet = m5   

2 Posisyon 3 paraan

1.9mm²

TAC-3P

Inlet = outlet = m5   

2 Posisyon 3 paraan

1.9mm²

TAC-4V

Inlet = outlet = m5   

2 Posisyon 5 na paraan

1.9mm²

TAC-4P

Inlet = outlet = m5   

2 Posisyon 5 na paraan

1.9mm²

4pp

G1/8

 

2 Posisyon 5 na paraan

4.5mm²

TAC2-31V

Inlet = outlet = tambutso = g1/8   

2 Posisyon 3 paraan

4.5mm²

TAC2-31P

Inlet = outlet = tambutso = g1/8   

2 Posisyon 3 paraan

4.5mm²

TAC2-41V

Inlet = outlet = g1/8 tambutso = m5

2 Posisyon 5 na paraan

4.5mm²

TAC2-41P

Inlet = outlet = g1/8 tambutso = m5

2 Posisyon 5 na paraan

4.5mm²

TAC2-41pp

Inlet = outlet = g1/8 tambutso = m5

2 Posisyon 5 na paraan

4.5mm²

FAQS:

Ano ang pagkakaiba sa pagitan ng balbula ng toggle at mechanical valve?

Maaari itong makilala ang balbula ng toggle at mechanical valve sa pamamagitan ng uri ng control: toggle valve ay pined lever holding type, mechanical valve ay push-pull button type o uri ng roller

 

Ano ang pagkakaiba sa pagitan ng Toggle Valve at iba pang mga balbula?

Tumpak na kontrol: Ang mga balbula ng toggle ay nakamit ang regulasyon ng daloy ng daloy sa pamamagitan ng isang conical valve core, na angkop para sa tumpak na kontrol sa mga maliit na diameter na mga pipeline, habang ang mga balbula ng bola ay mas angkop para sa mabilis na pagbubukas at pagsasara ng mga operasyon.

Mga Hot Tags: TAC Pneumatic Toggle Valve, China, tagagawa, tagapagtustos, pabrika
Magpadala ng Inquiry
Impormasyon sa Pakikipag-ugnayan
Maligayang pagdating sa aming website! Para sa mga katanungan tungkol sa aming mga produkto o pricelist, mangyaring iwanan ang iyong email sa amin at makikipag-ugnayan kami sa loob ng 24 na oras.
E-mail
cici@olkptc.com
Mobile
+86-13736765213
Address
Zhengtai Road, Xingaling Industrial Zone, Liushi, Yueqing, Wenzhou, Zhejiang, China.
X
Gumagamit kami ng cookies para mag-alok sa iyo ng mas magandang karanasan sa pagba-browse, pag-aralan ang trapiko sa site at i-personalize ang content. Sa paggamit ng site na ito, sumasang-ayon ka sa aming paggamit ng cookies. Patakaran sa Privacy
Tanggihan Tanggapin